欢迎来到河北Huatihui(中国)Huatihui·官方网站索具集团官网!
服务热线:0312-8156666
首页
关于Huatihui(中国)Huatihui·官方网站
公司简介
荣誉资质
工厂展示
产品中心
吊钩系列
吊环系列
卸扣系列
吊装带系列
链条连接件系列
成套索具系列
起重吊钳系列
起重葫芦系列
滑车系列
媒体中心
企业新闻
行业资讯
产品知识
案例展示
Huatihui(中国)Huatihui·官方网站
联系方式
经销网点
您当前所在的位置:
主页
>
产品中心
链条连接件系列
CHAIN LINK SERIES
链条连接件系列
网站首页
关于Huatihui(中国)Huatihui·官方网站
公司简介
荣誉资质
工厂展示
产品中心
吊钩系列
吊环系列
卸扣系列
吊装带系列
链条连接件系列
成套索具系列
起重吊钳系列
起重葫芦系列
滑车系列
媒体中心
企业新闻
行业资讯
产品知识
案例展示
Huatihui(中国)Huatihui·官方网站
联系方式
经销网点
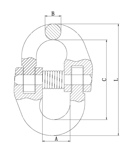
80级美式双环扣
全国咨询热线:
400-0312-400
更多联系方式
-产品详情-
-产品参数-
产品参数
相关产品
1、EN818-2标准起重链条。 2、在2.5倍工作拉力下进行验证测试。 3、破断拉力试工作拉力的4...
G100链条
1、EN818-2标准起重链条。 2、在2.5倍工作拉力下进行验证测试。 3、破断拉力试工作拉力的4...
G80链条
1、吊钩特点:优质合金钢模锻而成,3倍安全系数。2、滑轮:铸铁滑轮、铸钢滑轮、热轧滑轮。3、滑轮套芯...
双轮吊钩滑车
特点: 1、高强度G80起重链条。 2、平滑的起重链条倒链机构。 3、优质齿轮钢锻造,高精度加工齿轮...
SL-CB101系列手拉葫芦
创造客户价值 助力客户成功
凭借着高新的技术、优异的品质及良好的服务赢得了客户点赞,在国内外众多企业大放异彩!
冀ICP备08100751号-1
/
冀公网安备 13060802000198号